欢迎来到安平县秉德丝网制品有限公司网站!

内蒙古光伏场区镀塑钢丝网围栏专业生产厂家
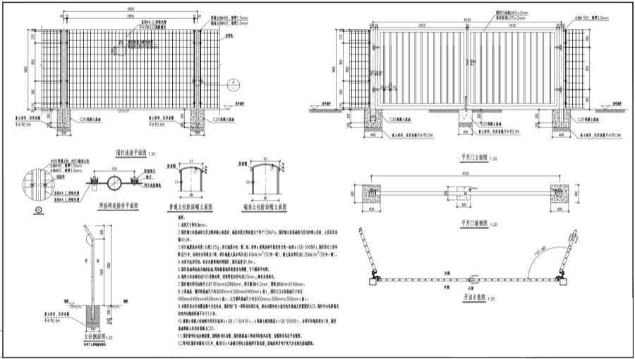
1.本图尺寸单位为mm。
2.围栏钢立柱基础持力层为粉质黏土或基岩,地基承载力特征值大于等于120kPa。围栏钢立柱基础持力层为回填士层时,土层压实系数≥0.94。
3.设计地震基本烈度:6度0.05g;设计地震分组:第二组。按照《 建筑结构可靠度设计统一标准》(GB 50088),围栏设计工作限为25年,结构安全等级为三级。项目地最大基本风压为0.60KN/㎡(50年一遇):最大基本雪压为0.35kN/㎡(50年一遇)。
4.本设计选用可拆、组合式镀塑钢丝网围栏,围栏高度为1.8m。
5.围栏基础顶标高为地面标高,现场根据地形坡度适当调整,可不做场平处理。
6.钢管立柱表面经过PVC浸塑处理,浸塑厚度内外均为0.5mm :颜色采用绿色。